alumas-toppic
詳細介紹
alumas-img

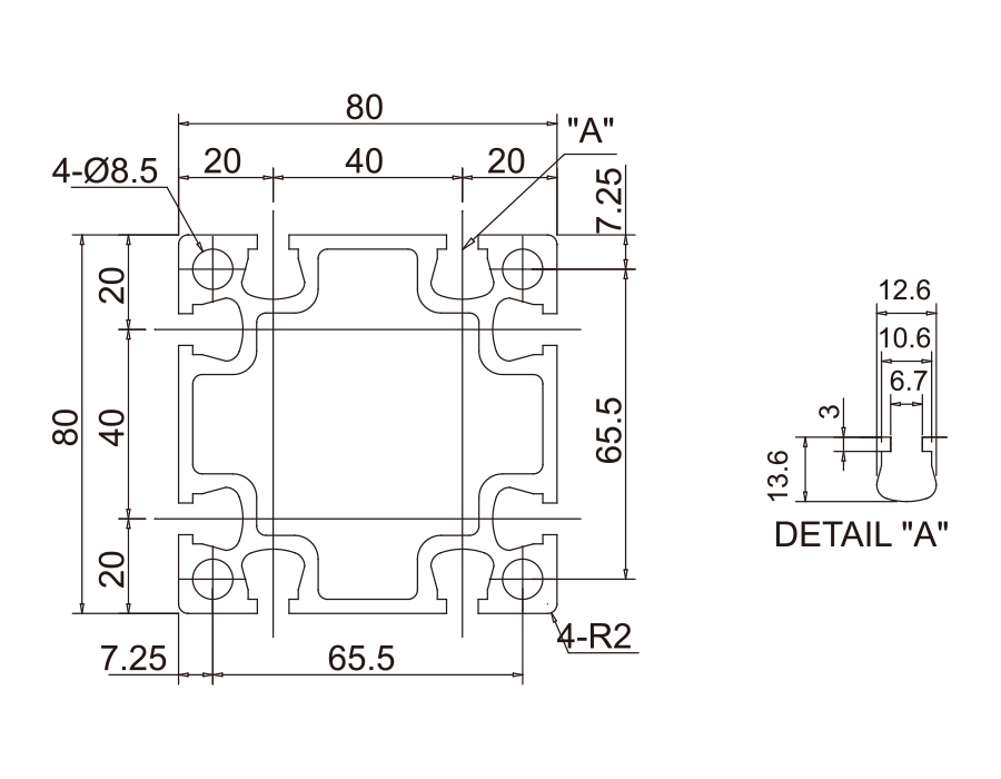
基本鋁擠型BP-8080

用途說明:

泛用工程結構,滾筒式輸送系統及皮帶輸送機之架構、機械架台、平台適用

技術資料:

材質:AL、表面處理:陽極、最大長度尺寸:Lmax=5000mm
斷面積:A=17.03cm^2、重量:W=4.63kg/m
斷面二次力矩:Ix=137.21*10^4mm^4;Iy=137.21*10^4mm^4

alumas-img

ALUMAS-電話 ALUMAS-地圖 ALUMAS-信箱

ALUMAS-logo

新竹市經國路一段147號

TEL:+886-3-5429988 FAX:+886-3-5319266

www.alumas.com.tw

ALUMAS-QRcode
Email
置頂
Copyright © 2019 ALUMAS All rights reserved . Design by PROC