alumas-toppic
詳細介紹
alumas-img

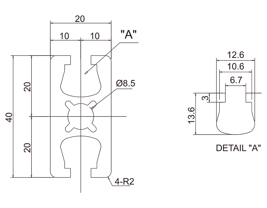
基本鋁擠型BP-2040

用途說明:

輕負荷
使用於門框結構

技術資料:

材質:AL、表面處理:陽極、最大長度尺寸:Lmax=5000mm
斷面積:A=4.67cm^2、重量:W=1.23kg/m
斷面二次力矩:Ix=2.3*10^4mm^4;Iy=5.7*10^4mm^4

alumas-img

ALUMAS-電話 ALUMAS-地圖 ALUMAS-信箱

ALUMAS-logo

新竹市經國路一段147號

TEL:+886-3-5429988 FAX:+886-3-5319266

www.alumas.com.tw

ALUMAS-QRcode
Email
置頂
Copyright © 2019 ALUMAS All rights reserved . Design by PROC