alumas-toppic
詳細介紹
alumas-img

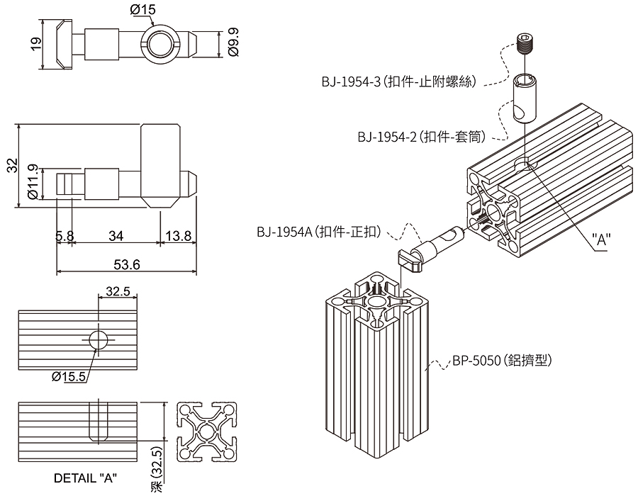
扣件BJ-1954A

用途說明:

於鋁擠型BP-5050尾端距離32.5mm處鑽φ15孔以便扣件固定

技術資料:

材質:S45C
表面處理:鍍鎳

alumas-img

ALUMAS-電話 ALUMAS-地圖 ALUMAS-信箱

ALUMAS-logo

新竹市經國路一段147號

TEL:+886-3-5429988 FAX:+886-3-5319266

www.alumas.com.tw

ALUMAS-QRcode
Email
置頂
Copyright © 2019 ALUMAS All rights reserved . Design by PROC