alumas-toppic
詳細介紹
alumas-img

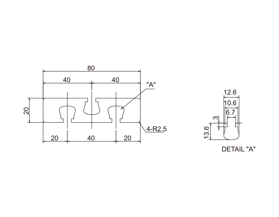
基本鋁擠型TL-2080

用途說明:

泛用工程結構、滑台板、桌面板

技術資料:

材質:AL、表面處理:陽極
斷面積:A=11.9cm^2、重量:W=3.22kg/m
最大長度尺寸:Lmax=5000mm

alumas-img

ALUMAS-電話 ALUMAS-地圖 ALUMAS-信箱

ALUMAS-logo

新竹市經國路一段147號

TEL:+886-3-5429988 FAX:+886-3-5319266

www.alumas.com.tw

ALUMAS-QRcode
Email
置頂
Copyright © 2019 ALUMAS All rights reserved . Design by PROC